Denne steinen forteller om dinosaurenes vandring

En flokk med dinosaurer gikk over våt leire for 200 millioner år siden. Sporene finnes fortsatt.

Forskeren Anthony Romilo tar avstøpning av steinen med flytende silikon.
Publisert

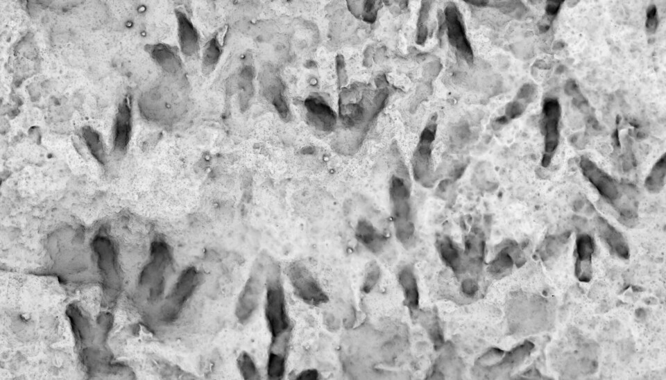
Fotsporene er laget av 47 små, plantespisende dinosaurer som gikk på to ben.

Anthony Romilo er en av forskerne som har undersøkt steinen. Romilo har tatt avstøpning av steinen med silikon for å undersøke sporene nærmere. 

Han har også laget en 3D-versjon av steinen i et dataprogram. Slik kunne han justere lysstyrke og skygger for å studere sporene nærmere. 

Romilo sier disse dinosaurene levde for omtrent 200 millioner år siden.

Forskerne tror den hadde lange ben, korte armer og en tykk kropp. Og så hadde den tre tær. Du ser sikkert at avtrykkene ligner ganske mye på fotsporene fra en fugl.

Romilo ser for seg at alle avtrykkene er laget på noen dager eller uker. 

– De gikk over et stykke med våt, hvit leire. Kanskje gikk de langs en elv eller krysset den, sier forskeren Romilo i en pressemelding.

Forskere får vite en god del om dinosauren bare ved å se på fotavtrykket.

Tett i tett med dinosaurfotspor i stenien. En gang var dette leire.

Lite hode og et slags nebb

– Dinosaurer med føtter som dette var planteetere, sier forskeren.

Dette vet forskerne fordi det er funnet knokkelrester etter slike dinosaurer andre steder i verden. 

Dinosaurens hode skal ha vært lite med et slags nebb.

Steinen med fotsporene ble oppdaget for 20 år siden i en gruve. Det var en steinekspert som fant den og bestemte at en videregående skole skulle få steinen i gave.

Men det er først nå etter Romilos undersøkelser at vi vet hvor spesiell steinen er.

Ikke funnet skjelettrester i området

Det er veldig sjelden at forskere finner så mange spor på så liten plass. Det skriver University of Queensland, der Romilo jobber.

Det er ikke funnet skjelettrester fra slike dinosaurer i Australia, forteller Romilo. Derfor syns han det er veldig fint å ha funnet disse bevisene for at de fantes der også.

Flere steder er dinosaurspor bevis på at dinosaurer har vandret i området. 

Kanskje så dinosauren som laget fotsporene omtrent slik ut. Hvis du ser nøye på bildet, ser du kanskje at munnen er et kort nebb.

Dinosaurspor funnet i bratt fjellside

For eksempel i Alaska, USA. I 2023 fant forskere massevis av dinosaurspor i en fjellside

Også her var sporene vanskelige å få øye på. Det kunne se ut som et veldig humpete fjell. I spesielt lys ble det derimot tydelig hva det var. 

Også i dette tilfellet tror forskerne at sporene først er laget i våt leire rundt et vann. Så er leiren dekket til av mudder under en flom. 

Mudderet beskyttet sporene så de ikke ble borte. Gjennom millioner av år ble bakken dyttet rundt på og slik havnet sporene i en fjellside. 

Kilder:

Powered by Labrador CMS